产品目录
桃色在线视频
液体流量计
桃色成人在线视频
油流量计
桃色视频入口
椭圆齿轮流量计
电磁流量计
涡街流量计
蒸汽流量计
孔板流量计
旋进旋涡流量计
热式气体质量流量计
转子流量计
浮子流量计
靶式流量计
气体流量计
超声波流量计
磁翻板液位计
浮子液位计
浮球液位计
玻璃管液位计
雷达液位计
超声波液位计
投入式液位计
压力变送器
差压变送器
液位变送器
温度变送器
热电偶
热电阻
双金属温度计
推荐产品
联系桃色APP直播软件
- 金湖桃色APP直播软件仪表有限公司
- 联系电话:15195518515
- 在线客服:1464856260
- 电话:0517-86801009
- 传真号码:0517-86801007
- 邮箱:1464856260@qq.com
- 网址:http://www.hdl-enamel.com
- 地址:江苏省金湖县理士大道61号
桃色视频入口说明书
发布时间:2021-03-20 13:56:22 点击次数:2552次
一、产品特点、用途和适用范围
很高兴您购买本款智能桃色视频入口,该流量计是我公司新研发的新型桃色视频入口,借鉴航空技术的先进理念综合了流体力学、电磁学等理论而自行研制开发的集温度、压力、流量传感器和智能流量积算仪于一体的新一代高精度、高可靠性的气体精密计量仪表,具有出色的低压和高压计量性能,多种信号输出方式以及对流体扰动的低敏感性,广泛适用于天然气、煤制气、液化气、轻烃气等气体的计量。
结合现代化的加工设备,应用完善有效的工艺手段。生产的流量计结构合理,耐用性好,重复性好,安装方便简洁。我公司为广大用户提供高可靠性的产品,研发阶段在轴承生产商的配合下,进行了为期八个月的每天24小时连续的耐久性实验,摸透了轴承和结构的可靠性,表芯采用一体化设计。为您提供**的产品,**的可靠性保证。减少您的售后负担。
1.1 产品特点
1.优质铝合金涡轮,具有更高的稳流和耐腐蚀作用;
2.专用仪表轴承,摩擦阻力小,密封性好,使用寿命长;
3.计量室与通气室隔绝,保证了仪表的安全性;
4.智能型流量计集微处理器、温度、压力传感器于一体,直接测量被测气体的流量、温度和压力,并自动进行流量跟踪补偿和压缩因子修正运算,显示标准状态下(Pb=101.325KPa,Tb=293.15K)的气体体积累积量,可实时查询温度压力数值;
5..流量范围宽(Qmax/Qmin≥20:1),重复性好,精度高(可达1.0级),压力损失小,始动流量低,可达0.6m3/h;
6.仪表具有脉冲信号、模拟信号输出,以及RS485通讯接口,采用专用MODEM,可通过电话网络直接与客户的远程集抄系统相连,实现计算机数据的集中采集和实时管理;
7.智能化仪表系数多点非线性修正;
8.内置式压力、温度传感器,安全性能高、结构紧凑、外形美观;
9.专用液晶显示屏,读数直观方便。智能型流量计可同时显示标况累积流量、标况瞬时流量以及介质的温度、压力等参数;
10.系统低功耗工作,可采用锂电池供电,也可外接电源;
11.具有实时数据存储功能,可防止更换电池或突然掉电时数据丢失,在停电状态下,内部数据可永久性保存;
12.可与IC卡预付费系统配套使用,便于贸易结算。
1.2 主要用途
桃色视频入口广泛用于石油、化工、冶金、航空、科研等部门及工业领域中多种气体,如天然气、城市燃气、丙烷、丁烷、空气、氮气等气体的测量。仪表准确度高、重复性好,适用于贸易计量及工业过程检测。智能型流量计集温度、压力于一体,在线跟踪检测介质温度和压力并进行自动补偿、压缩因子修正运算,具有优良的低压和高压计量性能,适用于天然气等气体的精确计量。
二、结构与工作原理
2.1 流量计结构
桃色视频入口结构紧凑,主要由壳体、叶轮、传感器(温度、压力、流量)、整流器和积算仪构成。

1.壳体:本身带有法兰,并有一定形状的流体通道,根据不同的工作压力,壳体材料可采用铸铝合金、碳钢或不锈钢。
2.整流器:强迫流体加速,消除任何可能存在的气流扰动,即使在非理想的安装环境下,也能够保证高精度。
3.叶轮:用铝合金制成,具有一定角度的螺旋叶片,它固定在壳体中间部位,克服摩擦力矩和流体阻力矩旋转。
4.智能流量积算仪:温度、压力检测模拟通道、流量检测数字通道以及微处理单元、液晶驱动电路和其它辅助电路组成,并配有外输信号接口。
5.压力传感器:以压阻式扩散硅桥路为敏感元件,其桥臂电阻在外界压力作用下会发生预期变化,因此在一定激励电流作用下,其两个输出端的电位差与外界压力成正比。
6.流量传感器:安装在靠近叶轮后端,可检测出从同轴转动的信号轮上发出的频率信号。
7.温度传感器:以Pt100/pt1000铂电阻为温度敏感元件,在一定温度范围内,其电阻值与温度成对应关系。
2.2 工作原理
当流体流入流量计时,在进气口专用一体化整流器的作用下得到整流并加速,由于涡轮叶片与流体流向成一定角度,此时涡轮产生转动力矩,在克服摩擦力矩和流体阻力矩后,涡轮开始旋转。在一定的流量范围内,涡轮旋转的角速度与流体体积流量成正比。根据电磁感应原理,利用韦根传感器从同轴转动的信号轮上感应出与流体体积流量成正比的脉冲信号,该信号经放大、滤波、整形后与温度、压力传感器信号一起进入智能流量积算仪的微处理单元进行运算处理,并把气体的体积流量和总量直接显示于 LCD屏上。
三、技术性能及选型指南
1、执行标准
产品执行 GB/T 18940-2003《封闭管道中气体流量的测量涡轮流量计》
2、精确度等级
在规定的流量范围内和工作条件下流量计的精确度等级为 1.0级和 1.5级
3、流量计参数

4、标准状态条件
P=101.325KPa,T=293.15K
5、使用环境条件
环境温度:-30℃~+65℃
相对湿度:5%~95%
介质温度:-20℃~+80℃
大气压力:86KPa~106KPa
6、工作电源及信号输出
6.1工作电源
A.外电源:+24VDC±15%,纹波<5%,适用于 4~20mA输出、脉冲输出、报警输出、RS-485等;
B.内电源:1组 3.6V锂电池(ER26500),当电压低于 3.0V时,出现欠压指示。
6.2整机功耗
A.外电源:<2W;
B.内电源:平均功耗 1mW,可连续使用两年以上。
6.3脉冲输出方式
工况脉冲信号,直接将流量传感器检测的工况脉冲信号经光耦隔离放大输出,高电平≥20V,低电平≤1V;
定标脉冲信号,与 IC卡阀门控制器配套,高电平幅度≥ 2.8V,低电平幅度≤ 0.2V,单位脉冲代表体积量可设定范围:0.001m3~100m3。单选择该值时必须注意:定标脉冲信号频率应≤1000Hz。
定标脉冲信号,经光耦隔离放大输出,高电平≥20V,低电平≤1V。
6.4 RS-485通信(光电隔离),可实现以下功能:
A.采用 RS-485接口,可直接与上位机或二次表联网,远传显示介质的温度、压力和经温度、压力补偿后的标准体积流量和标准体积总量;
B.由 RS-485接口与 HW-Ⅰ数据采集器配套,可组成电话网络通信系统,一台数据采集器可带 15台流量计;
C.由 RS-485接口与 HW-Ⅱ数据采集器配套,可组成宽带网络通信系统,由 INTERNET传输数据,一台数据采集器可带 8台流量计。
6.5 4~20mA标准电流信号(光电隔离)
与标准体积流量成正比,4mA对应 0 m3/h, 20 mA对应*大标准体积流量(该值可在一级菜单中进行设置),制式:两线制或三线制,流量计可根据所插电流模块自动识别,并正确输出。
6.6控制信号输出
A.下限报警信号(LP):光电隔离,高低电平报警,报警电平可设定,工作电压+12V~+24V,*大负载电流50mA;
B.上限报警信号(UP):光电隔离,高低电平报警,报警电平可设定,工作电压+12V~+24V,*大负载电流50mA;
C.关阀报警输出(BC端,IC卡控制器用):逻辑门电路输出,正常输出低电平,幅度≤0.2V;报警输出高电平,幅度≥2.8V,负载电阻≥100kΩ;
D.电池欠压报警输出(BL端,IC卡控制器用):逻辑门电路输出,正常输出低电平,幅度≤0.2V;报警输出高电平,幅度≥2.8V,负载电阻≥100kΩ;
7、现场显示功能
A.积算仪显示面板上实时显示工况(或标况)下的温度、压力、瞬时流量、累计流量;
B.报警功能:流量上下限、温度上下限、压力上下限报警,报警方式:字符闪烁。
8、防爆型式与等级
隔爆型:其防爆标志为 ExdIIBT4、ExdIICT4-T6(不含乙炔);
本安型:其防爆标志为 ExiaIICT4
9、防护等级
IP65
10、电器接口
内螺纹 M20*1.5
11、选型指南
11.1用户在选型时,应根据管道公称压力、介质*高压力、介质温度、介质组分情况、流量范围及信号输出要求合理选择流量计的型号规格。
11.2为使流量计的使用性能*佳,流量计的使用流量范围应在(20%~80%)Qmax范围内比较合适。
11.3流量计出厂时的信号输出方式:工况脉冲信号输出(三线制)、标准流量信号(IC卡)输出或 RS-485通讯输出。若要求有其它输出功能,请在订货时说明。
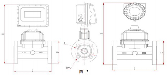
四、仪表外形尺寸及安装
4.1 流量计外形尺寸及安装
流量计的外形尺寸见图2,图中未注尺寸列于表2中,流量计采用法兰连接方式。法兰尺寸执行GB/T9112~9113-2000标准。


注:图 1所示为温压补偿型仪表外型。
所有型号仪表传感器部分以及整机高度尺寸一致,该尺寸仅供参考,具体参考实物,技术升级导致尺寸变更暂不另行通知。
4.2 流量计安装
1.对于新安装或检修后的管道务必进行吹扫,去除管道中的杂物后方能安装流量计。在进行所有流体静压实验和清扫管路操作期间,应拆下仪表,以免测量部件的严重损坏。
2.安装前,用微小气流吹动涡轮时,涡轮能转动灵活,并没有无规则的噪音,计数器转动正常,无间断卡滞现象,则流量计可安装使用。
3.流量计安装时法兰和管道法兰中间要加密封垫圈。
4.流量计上游处(≧2DN)必须安装相应规格的过滤器,气质较脏的场合应加装油过滤器,用户订货前,可同时向我公司订货,严禁过滤器和流量计直接相连。
5.流量计在安装时前后均应加截至阀门。
6.法兰盘连接处管道内经处不应该有突起相连接。
7.流量计安装时,严禁在其进出口法兰处直接进行电焊,以免烧坏流量计内部零件。
8.流量计应安装在便于维修、无强电磁场干扰、无机械振动以及热辐射影响的场所;
9.流量计不宜用在流量频繁中断和有强烈脉动流或压力脉动的场合;
10流量计室外安装时,上部应有遮盖物,以防雨水浸入和烈日曝晒影响流量计使用寿命;
11.流量计可水平或垂直安装,流体流动方向应与壳体上标识的方向一致,在流量计的上、下游应保证有 2DN和 1DN的直管段长度。
12.为了不影响流体正常输送,建议按图 3安装旁通管道,在正常使用时必须关闭旁通管道阀门。

13.在管道施工时,应考虑安装伸缩管或波纹管,以免对流量计造成严重的拉伸或断裂;
14.应确保管道与流量计入口和出口的连接同轴,并防止垫圈和焊缝突入管道内,否则会扰乱流动剖面;
15.采用外电源时,流量计必须有可靠接地,但不得与强电系统共用地线;在管道安装或检修时,不得把电焊系统的地线与流量计搭接;
16.管道安装完毕进行密封性试压时,应注意流量计压力传感器所能承受的*高压力(即检定**上介质*大压力),以免损坏压力传感器。
17.流量计投入运行时,应缓慢开启阀门(开启时间不少于 15s),逐步增加流速,以免瞬间气流冲击而损坏涡轮。
4.2.2 防爆场所安装要求
1.流量计应有可靠的接地,防爆接地不应与强电系统的保护接地共用。
2.现场测试电源时,不允许使用交流电源接地。
3.在任何情况下,用户不得自行更改防爆电路、元器件和防爆型式。
4.必须先切断外接电源再打开转换器盖子。
五、包装、运输及贮存
1、包装
流量计应装入牢固的木箱内(中、小口径流量计有泡沫保护时可装在纸箱内),不应在箱内自由窜动,搬运时应小心轻放。
2、运输
流量计运输贮存条件应符合 GB/T 9329-1999《仪器仪表运输贮存基本环境条件及试验方法》要求。
3、贮存
流量计的贮存应符合以下条件:
1.防雨防潮;
2.不受机械振动或冲击;
3.温度范围:5℃~40℃;
4.相对湿度:不大于 90%;
5.环境不含腐蚀性气体。
上一篇:桃色视频入口的工作原理下一篇:煤气流量计选型
相关资讯
- 桃色视频入口安装直管段要求
- 桃色视频入口的结构与工作原理
- 桃色视频入口的产品特点和适用范围
- 桃色视频入口选型指南与外形尺寸
- 桃色视频入口使用环境
- 桃色视频入口使用注意事项
- 桃色视频入口怎么清洗
- 桃色视频入口适用范围
- 桃色视频入口为什么要加油
- 桃色视频入口波动大解决办法
- 桃色视频入口安装距离要求
- 桃色视频入口安装注意事项
- 桃色视频入口应用范围
- 桃色视频入口常见故障有哪些
- 提高桃色视频入口精度的方法
- 桃色视频入口精度等级
- 桃色视频入口的技术参数
- 桃色视频入口不准原因
- 桃色视频入口的优缺点
- 桃色视频入口的用途
- 桃色视频入口接线图
- 桃色视频入口种类
- 用桃色视频入口测量天然气流量
- 桃色视频入口的优点
- 桃色视频入口使用方法
- 桃色视频入口的选型表
- 桃色视频入口结构图
- 影响桃色视频入口测量精度的因素及措施
- 桃色视频入口维护保养
- 桃色视频入口特点

