产品目录
桃色在线视频
液体流量计
桃色成人在线视频
油流量计
桃色视频入口
椭圆齿轮流量计
电磁流量计
涡街流量计
蒸汽流量计
孔板流量计
旋进旋涡流量计
转子流量计
浮子流量计
靶式流量计
气体流量计
磁翻板液位计
浮子液位计
浮球液位计
玻璃管液位计
雷达液位计
超声波液位计
投入式液位计
压力变送器
差压变送器
液位变送器
温度变送器
热电偶
热电阻
双金属温度计
推荐产品
联系桃色APP直播软件
- 金湖桃色APP直播软件仪表有限公司
- 联系电话:15195518515
- 在线客服:1464856260
- 电话:0517-86801009
- 传真号码:0517-86801007
- 邮箱:1464856260@qq.com
- 网址:http://www.hdl-enamel.com
- 地址:江苏省金湖县理士大道61号
液压压力变送器
- 品*:JKM/桃色APP直播软件仪表
- 型号:JKM-2088
- 测量范围:-0.1-30MPa
- 精度等级:0.3/0.5级
- 公称通径:法兰/螺纹
- 适用介质:液体/气体/蒸汽
- 工作压力:-0.1-30MPa
- 工作温度:-25℃~70℃
- 供电方式:24VDC
- 订货号:DSE593674DMN
液压压力变送器基本介绍
一般意义上的压力变送器主要由测压元件传感器(也称作压力传感器)、测量电路和过程连接件三部分组成。它能将测压元件传感器感受到的气体、液体等物理压力参数转变成标准的电信号(如4~20mADC等), 以供给指示报警仪、记录仪、调节器等二次仪表进行测量、指示和过程调节。
压力变送器根据测量范围可分成一般压力变送器(0.001MPa~35MPa)和微差压变送器(0~1.5kPa),负压变送器三种;从精度角度来分类的话,因为我国国标的精度就为0.5%. 所以近年来又可以分为高精度压力变送器(0.1%或0.2%或0.075%)和一般压力变送器(0.5%)。
压力变送器根据传感器种类,可分为电容式压力变送器、扩散硅压力变送器、单晶硅压力变送器。

液压压力变送器工作原理
压力变送器感受压力的电器元件一般为电阻应变片,电阻应变片是一种将被测件上的压力转换成为一种电信号的敏感器件。电阻应变片应用*多的是金属电阻应变片和半导体应变片两种。金属电阻应变片又有丝状应变片和金属箔状应变片两种。通常是将应变片通过特殊的黏合剂紧密地粘合在产生力学应变基体上,当基体受力发生应力变化时,电阻应变片也一起产生形变,使应变片的阻值发生改变,从而使加在电阻上的电压发生变化。
液压压力变送器主要性能
1、使用被测介质广泛,可测油、水及与316不锈钢和304不锈钢兼容的糊状物,具有一定的防腐能力;
2、高准确度、高稳定性、选用进口原装传感器,线性好,温度稳定性高;
3、体积小、重量轻、安装、调试、使用方便;
4、不锈钢全封闭外壳,防水好;
5、压力传感器直接感测被测液位压力,不受介质起泡、沉积的影响。
液压压力变送器主要优点
1、压力变送器具有工作可靠、性能稳定等特点;
2、专用V/I集成电路,外围器件少,可靠性高,维护简单、轻松,体积小、重量轻,安装调试*为方便;
3、铝合金压铸外壳,三端隔离,静电喷塑保护层,坚固耐用;
4、4-20mA DC二线制信号传送,抗干扰能力强,传输距离远;
5、LED、LCD、指针三种指示表头,现场读数十分方便。可用于测量粘稠、结晶和腐蚀性介质;
6、高准确度,高稳定性。除进口原装传感器已用激光修正外,对整机在使用温度范围内的综合性温度漂移、非线性进行精细补偿。
液压压力变送器产品参数

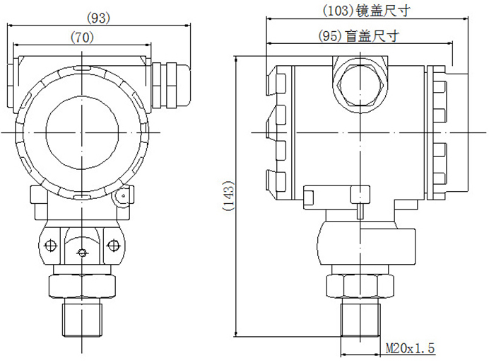
液压压力变送器尺寸

液压压力变送器接线

液压压力变送器选型规则
1.根据要测量压力的类型
压力类型主要有表压、绝压、差压等。表压是指以大气为基准,小于或大于大气压的压力;绝压是指以绝对压力零位为基准,高于绝对压力;差压是指两个压力之间的差值。
2.根据被测压力量程
一般情况下,按实际测量压力为测量范围的80%选取。
要考虑系统的*大压力。一般来说,压力变送器器压力范围*大值应该达到系统*大压力值的1.5倍。一些水压和过程控制,有压力尖峰或者连续的脉冲。这些尖峰可能会达到“*大”压力的5倍甚至10倍,可能造成变送器的损坏。连续的高压脉冲,接近或者超过变送器的*大额定压力,会缩短变送器的实用寿命。但提高变送器额定压力会牺牲变送器的分辨率。可以在系统中使用缓冲器来减弱尖峰,这会降低传感器的响应速度。
压力变送器一般设计成能在2亿个周期中承受*大压力而不会降低性能。在选择变送器时可在系统性能与变送器寿命之间找到一个折中的解决方案。
3.根据被测介质
按测量介质的不同,可分为干燥气体、气体液体、强腐蚀性液体、黏稠液体、高温气体液体等,根据不同的介质正确选型,有利于延长变送器的使用寿命。
4.根据系统的*大过载
系统的*大过载应小于变送器的过载保护*限,否则会影响变送器的使用寿命甚至损坏变送器。通常压力变送器的安全过载压力为满量程的2倍。
5.根据需要的准确度等级
变送器的测量误差按准确度等级进行划分,不同的准确度对应不同的基本误差限(以满量程输出的百分数表示)。实际应用中,根据测量误差的控制要求并本着使用经济的原则进行选择。
6.根据系统工作温度范围
测量介质温度应处于变送器工作温度范围内,如超温使用,将会产生较大的测量误差并影响变送器的使用寿命;在压力变送器的生产过程中,会对温度影响进行测量和补偿,以确保其受温度影响产生的测量误差处于准确度等级要求的范围内。在温度较高的场合,可以考虑选择高温型压力变送器或采取安装冷凝管、散热器等辅助降温措施。
7.根据测量介质与接触材质的兼容性
在某些测量场合,测量介质具有腐蚀性,此时需选用与测量介质兼容的材料或进行特殊的工艺处理,确保变送器不被损坏。
8.根据压力接口形式
通常以螺纹连接(M20×1.5)为标准接口形式。
9.根据供电电源和输出信号
通常压力变送器采用直流电源供电,提供多种输出信号选择,包括4~20mA.DC;、0~5V.DC、1~5V.DC、0~10mA.DC等,可以有232或485数字输出。
10.根据现场工作环境情况及其他
是否存在振动及电磁干扰等,选型时应提供相关信息,以便采取相应处理。在选型时,其他如电气连接方式等也可以根据具体情况予以考虑。


液压压力变送器安装说明
在安装使用压力变送器前应详细阅读产品样本及使用说明书,安装时压力接口不能泄露,确保量程及接线正确。压力传感器及变送器的外壳一般需接地,信号电缆线不得与动力电缆混合铺设,传感器及变送器周围应避免有强电磁干扰。
液压压力变送器使用说明
日常维护
1、检查安装孔的尺寸:如果安装孔的尺寸不合适,传感器在安装过程中,其螺纹部分就很容易受到磨损。这不仅会影响设备的密封性能,而且使压力传感器不能充分发挥作用,甚至还可能产生安全隐患。只有合适的安装孔才能够避免螺纹的磨损(螺纹工业标准1/2-20 UNF 2B),通常可以采用安装孔测量仪对安装孔进行检测,以做出适当的调整。
2、保持安装孔的清洁:保持安装孔的清洁并防止熔料堵塞对保证设备的正常运行来说十分重要。在挤出机被清洁之前,所有的压力传感器都应该从机筒上拆除以避免损坏。在拆除传感器时,熔料有可能流入到安装孔中并硬化,如果这些残余的熔料没有被去除,当再次安装传感器时就可能造成其顶部受损。清洁工具包能够将这些熔料残余物去除。然而,重复的清洁过程有可能加深安装孔对传感器造成的损坏。如果这种情况发生,就应当采取措施来升高传感器在安装孔中的位置。
3、选择恰当的位置:当压力传感器的安装位置太靠近生产线的上游时,未熔融的物料可能会磨损传感器的顶部;如果传感器被安装在太靠后的位置,在传感器和螺杆行程之间可能会产生熔融物料的停滞区,熔料在那里有可能产生降解,压力信号也可能传递失真;如果传感器过于深入机筒,螺杆有可能在旋转过程中触碰到传感器的顶部而造成其损坏。一般来说,传感器可以位于滤网前面的机筒上、熔体泵的前后或者模具中。
4、仔细清洁;在使用钢丝刷或者特殊化合物对挤出机机筒进行清洁前,应该将所有的传感器都拆卸下来。因为这两种清洁方式都可能会造成传感器的震动膜受损。当机筒被加热时,也应该将传感器拆卸下来并使用不会产生磨损的软布来擦拭其顶部,同时传感器的孔洞也需要用清洁的钻孔机和导套清理干净。

正确使用
压力传感器使用过程应注意考虑下列情况:
1、防止变送器与腐蚀性或过热的介质接触;
2、防止渣滓在导管内沉积;
3、测量液体压力时,取压口应开在流程管道侧面,以避免沉淀积渣;
4、测量气体压力时,取压口应开在流程管道顶端,并且变送器也应安装在流程管道上部,以便积累的液体容易注入流程管道中;
5、导压管应安装在温度波动小的地方;
6、测量蒸汽或其它高温介质时,需接加缓冲管(盘管)等冷凝器,不应使变送器的工作温度超过*限;
7、冬季发生冰冻时,安装在室外的变送器必需采取防冻措施,避免引压口内的液体因结冰体积膨胀,导至传感器损坏;
8、测量液体压力时,变送器的安装位置应避免液体的冲击(水锤现象),以免传感器过压损坏;
9、接线时,将电缆穿过防水接头(附件)或绕性管并拧紧密封螺帽,以防雨水等通过电缆渗漏进变送器壳体内。

