产品目录
桃色在线视频
液体流量计
桃色成人在线视频
油流量计
桃色视频入口
椭圆齿轮流量计
电磁流量计
涡街流量计
蒸汽流量计
孔板流量计
旋进旋涡流量计
热式气体质量流量计
转子流量计
浮子流量计
靶式流量计
气体流量计
超声波流量计
磁翻板液位计
浮子液位计
浮球液位计
玻璃管液位计
雷达液位计
超声波液位计
投入式液位计
压力变送器
差压变送器
液位变送器
温度变送器
热电偶
热电阻
双金属温度计
推荐产品
联系桃色APP直播软件
- 金湖桃色APP直播软件仪表有限公司
- 联系电话:15195518515
- 在线客服:1464856260
- 电话:0517-86801009
- 传真号码:0517-86801007
- 邮箱:1464856260@qq.com
- 网址:http://www.hdl-enamel.com
- 地址:江苏省金湖县理士大道61号
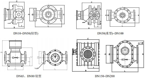
椭圆齿轮流量计的外形尺寸图
发布时间:2021-03-13 01:34:10 点击次数:2580次
椭圆齿轮流量计外形尺寸
1 铸铁型椭圆齿轮流量计外形尺寸
型号:LC—A、LC—NA


2 铸钢型外形尺寸
型号:LC—E、LC—NE、 (外形同上)

*DN10/DN50(轻型)/DN65/DN80(轻型)法兰尺寸为 1.6MPa 标准;其余口径为 6.4MPa 标准;
3 LC—B 型不锈钢椭圆齿轮流量计外形尺寸(单位:mm)

*高温型椭圆齿轮流量计外形尺寸:DN15~DN50(轻型),B 尺寸按上表数据加 100mm 热延伸管;DN50 (重型)~DN200,B 尺寸按上表尺寸加160mm 热延伸管,其余尺寸同上表相应尺寸。
上一篇:液体流量计的工作原理下一篇:椭圆齿轮流量计常见故障分析及处理

